
Spacetronik DiO SPD-DS811 NFC + SPD-M777 Einfamilien-Aufputz-Video-Türsprechanlage-Set mit 7" Touchscreen-Monitor
Das Spacetronik DiO Türsprechstellenpanel zeichnet sich durch ein formschönes, vandalensicheres Gehäuse aus Aluminiumlegierung aus, dessen Schutzart IP65 der Videosprechanlage auch bei schwierigen Witterungsverhältnissen einen einwandfreien Betrieb ermöglicht. Durch die Verwendung hochwertigster Materialien in Kombination mit modernem Design fügt sich das Videotelefon perfekt in die Wand Ihres Hauses oder Zauns ein. Der Monitor ist für den Einsatz in einer Spacetronik DiO-Zweidraht-Video-Türsprechanlage konzipiert. Ausgestattet mit einem 7" TFT-Farb-Touchscreen, der die Bedienung noch komfortabler macht. Der Monitor verfügt über alle notwendigen Funktionen, die High-End-Geräte auszeichnen. Darüber hinaus verfügt das Gerät über einen SD-Kartenslot und unterstützt die zusätzliche Überwachung von CCTV-Kameras. Das Produkt ist ideal für den Einsatz in Einfamilienhäusern und kleinen Unternehmen.
Der Monitor SPD-M777TW zeichnet sich durch ein modernes und elegantes Design aus. Die Frontplatte besteht aus gehärtetem Glas, und das Ganze ist mit einem eleganten Aluminiumrahmen versehen.
Komfortabler Lebensstil
Elegantes Design, Benutzerfreundlichkeit und Zweckmäßigkeit sind Eigenschaften, die die Spacetronik DiO Video-Sprechanlage beschreiben. Sprechen Sie mit Ihren Besuchern und schauen Sie sie genau an, bevor Sie sich entscheiden, die Tür zu öffnen. Das sorgt für Ihre Sicherheit und macht Ihr Leben bequemer. Das Modell hat den Vorteil eines Weitwinkelobjektivs für 170° Beobachtung mit einer zusätzlichen Linsenverstellung nach oben/unten und Touch-Tasten zum Anrufen.
Unterputz- oder Aufputzmontage?
Die Spacetronik DIO SPD-DS81x Videosprechanlagen sind eine Serie von Unterputz-Videosprechanlagen, aber mit der zusätzlichen Abdeckung SPD-DC81 ist auch eine Aufputzmontage möglich.
Tag- und Nachtbetrieb
Die Videosprechkassette ist mit 3 LEDs ausgestattet, so dass auch bei schlechten Lichtverhältnissen die Umgebung von der Außenkassette aus gesehen werden kann. Dadurch ist das Videotelefon für alle Lichtverhältnisse geeignet und auch bei völliger Dunkelheit sichtbar.

Kontaktlose Mifare-RFID-Kartentechnologie (NFC)
Die Mifare NFC-Karte unterstützt das Schreiben und Lesen mit einer Frequenz von 13,56 MHz (Mifare-Standard). Die Karte hat keine Batterie - sie verwendet passive Chiptechnologie - und muss daher nicht ausgetauscht werden und hat eine sehr lange Lebensdauer. Dank des RFiD Mifare-Moduls ist es möglich, ein elektrisches Türschloss über eine Karte oder einen Schlüsselanhänger mit NFC-Technologie zu öffnen.
Technische Daten
- Türstation
- Spannungsversorgung 24 V DC (ab Netzteil)
- Modell SPD-DS811 mit RFID-Funktion
- IR Nachtsicht
- Werkstoff Aluminium
- Wetterfest IP65
- Objektiv 1,0 MP 3,6 mm, nach oben/unten verstellbar
- Weitwinkelkamera 170°
- Leistungsaufnahme - Standby 1W, Betrieb 5W
- Stromversorgung über den internen Monitor
- Betriebstemperatur -20C- + 55C
- Einbau Unterputz
- Abmessungen: 182x110x33 mm
- Abmessungen für die Montage: 182x110x33 mm
Enthalten
- Spacetronik DiO Video-Sprechanlage SPD-DS811
- bildschirm SPD-M777
- Anschlussdrähte
- Befestigungsstifte
- Masterkarte 1 Stk.
- Proximity-Schlüsselanhänger 2 Stk
- Inbusschlüssel
- Bedienungs- und Installationsanleitung
- SPD-DC81 Abdeckung für Aufputzmontage
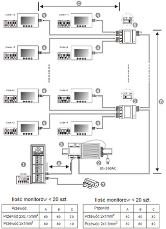
Installationsbeispiel

1. Türstation, wenn nur eine Türstation vorhanden ist, sollten Bit-1, Bit-2 und Bit-3 auf OFF gesetzt werden
2. Stromversorgung, MUSS Seite an Seite mit Stromtrenner installiert werden
3. Stromtrenner, MUSS neben der Stromversorgung installiert werden
4. Monitore - jeder mit einem eindeutigen Benutzercode, beachten Sie, dass in diesem Fall alle Bits-6 auf EIN gesetzt werden müssen
5. Schalten Sie den Schalter des Videoverteilers auf OFF, es sei denn, er befindet sich am Ende der Leitung
6. Stellen Sie den Schalter des Videoverteilers am Ende der Linie auf ON
7. Zusätzliche Kamera
Grundlegende Vorteile des Spacetronik DiO-Systems
- das gesamte System basiert auf 2 Drähten (2-Draht)
- keine Polarisierung
- vandalensicheres Gehäuse
- möglichkeit der Montage der Module auf DIN-Schiene
- steckbarer Anschluss
- konfiguration und Adressierung über DIP-Schalter
- erweiterbar mit einer Kamera
- erweiterbar mit SD-Karte
- aufzeichnung von Bildern und Videos
- einfacher Zugang über RFiD-Schlüsselanhänger
Beispiele für Schaltpläne des Spacetronik DiO-Systems

1. Einfacher Anschluss
2. Anschluss mit mehreren Monitoren in einer Wohnung (in Reihe)
3. Anschluss mit mehreren Stationen
Bedienungsanleitung in Polnisch zum Herunterladen >>HIER<<
Gebrauchsanweisung in Englisch zum Herunterladen >>HIER<<



















