
Spacetronik DiO SPD-DP916 zusätzliches Sechzehn-Familien-Panel
Ein zusätzliches Sechzehn-Familien-Panel für die Erweiterung des Spacetronik DiO-Systems. Das Paneel zeichnet sich durch ein formschönes, vandalensicheres Gehäuse aus Aluminiumlegierung aus, in das die Leuchtschilder integriert sind. Die LED-Nachtbeleuchtung ermöglicht eine komfortable Nutzung bei schlechten Sichtverhältnissen.
Komfortabler Lebensstil
Elegantes Design, einfache Bedienung und Praktikabilität sind Merkmale, die die Spacetronik DiO Videosprechanlage beschreiben. Sprechen Sie mit Ihren Besuchern und schauen Sie sich diese genau an, bevor Sie sich entscheiden, die Tür zu öffnen. Das sorgt für Ihre Sicherheit und macht Ihr Leben bequemer. Die SPD-DS9xx hat den Vorteil eines Weitwinkelobjektivs für 170° Beobachtung mit zusätzlicher Linsenverstellung nach oben und unten.

Einfache Installation
Die Installation der Video-Gegensprechanlage ist relativ einfach. Das hintere Gehäuse wird mit Dübeln an der Wand befestigt und das gesamte Panel-Gehäuse wird daran angeschraubt.
Aufbau des Geräts

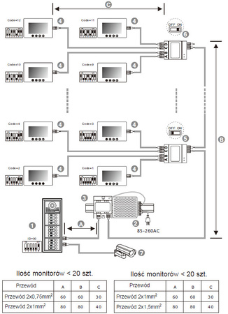
Installationsbeispiel


1. Türstation, wenn es nur eine Sprechstelle gibt, sollten Bit-1, Bit-2 und Bit-3 auf OFF gesetzt werden
2. Stromversorgung, MUSS Seite an Seite mit Stromtrenner installiert werden
3. Stromtrenner, MUSS neben der Stromversorgung installiert werden
4. Monitore - jeder mit einem eindeutigen Benutzercode, beachten Sie, dass in diesem Fall alle Bits-6 auf EIN gesetzt werden müssen
5. Schalten Sie den Schalter des Videoverteilers auf OFF, es sei denn, er befindet sich am Ende der Leitung
6. Schalten Sie den Schalter des Videoverteilers am Ende der Leitung auf EIN
7. Zusätzliche Kamera
Technische Daten
- Außenstation
- 24 V DC Spannungsversorgung (vom Netzteil)
- Modell SPD-DP916 fungiert als Systemerweiterung und unterstützt 16 zusätzliche Teilnehmer
- Werkstoff Aluminium
- Wetterfest IP65
- Leistungsaufnahme - Standby 1W, Betrieb 5W
- Stromversorgung über den internen Monitor
- Betriebstemperatur -20C- + 55C
- Einbau Unterputz
- Abmessungen: 360x130x52 mm
- Abmessungen für die Montage: 350x110x33 mm
Enthalten
- Spacetronik DiO Video-Türsprechanlage SPD-DP916
- Anschlussdrähte
- Befestigungsstifte
- Inbusschlüssel
- Bedienungs- und Montageanleitung
Grundlegende Vorteile des Spacetronik DiO-Systems
- das gesamte System basiert auf 2 Drähten (2-Draht)
- fehlende Polarität
- vandalensicheres Gehäuse
- möglichkeit der Montage der Module auf DIN-Schiene
- steckbarer Anschluss
- konfiguration und Adressierung über DIP-Schalter
- erweiterbar mit einer Kamera
- erweiterbar mit SD-Karte
- aufzeichnung von Bildern und Videos
- einfacher Zugang über RFiD-Schlüsselanhänger
Beispiele von Schaltplänen des Spacetronik DiO-Systems


Bedienungsanleitung auf Polnisch zum Download >> HIER<<
https://s.spacetronik.pl/zdjecia_DMTRADE/katalogi/dio/ds901/DS90xPL.pdf
Englisches Benutzerhandbuch zum Download >>HIER<<
https://s.spacetronik.pl/zdjecia_DMTRADE/katalogi/dio/ds901/DS90xEN.pdf



















