
SPD-DC81 Oberflächenabdeckung für Spacetronik DiO SPD-DS81x Stationen
Robuste Wetterschutzhaube aus Metall für Spacetronik DiO Türstationen der Serie SPD-DS81x. Durch den Einsatz dieser Wetterschutzhaube ist es möglich, die Türstation in Aufputzform zu montieren.
Inklusive
- Spacetronik DiO SPD-DC81 Wetterschutzhaube
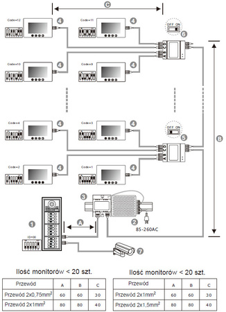
Installationsbeispiel

1. Türstation, wenn nur eine Türstation vorhanden ist, sollten Bit-1, Bit-2 und Bit-3 auf OFF gesetzt werden
2. Stromversorgung, MUSS Seite an Seite mit Stromtrenner installiert werden
3. Stromtrenner, MUSS neben der Stromversorgung installiert werden
4. Monitore - jeder mit einem eindeutigen Benutzercode, beachten Sie, dass in diesem Fall alle Bits-6 auf EIN gesetzt werden müssen
5. Schalten Sie den Schalter des Videoverteilers auf OFF, es sei denn, er befindet sich am Ende der Leitung
6. Schalten Sie den Schalter des Videoverteilers am Ende der Leitung auf EIN
7. Zusätzliche Kamera
Grundlegende Vorteile des Spacetronik DiO-Systems
- das gesamte System basiert auf 2 Drähten (2-Draht)
- keine Polarisierung
- vandalensicheres Gehäuse
- möglichkeit der Montage der Module auf DIN-Schiene
- steckbarer Anschluss
- konfiguration und Adressierung über DIP-Schalter
- erweiterbar mit einer Kamera
- erweiterbar mit SD-Karte
- aufzeichnung von Bildern und Videos
- einfacher Zugang über RFiD-Schlüsselanhänger
Beispiele für Schaltpläne des Spacetronik DiO-Systems

1. Einfacher Anschluss
2. Anschluss mit mehreren Monitoren in einer Wohnung (in Reihe)
3. Anschluss mit mehreren Stationen
Bedienungsanleitung in Polnisch zum Herunterladen >>HIER<<
Gebrauchsanweisung in Englisch zum Herunterladen >>HIER<<



















