
Zestaw wideodomofon natynkowy jednorodzinny z monitorem dotykowym 7" Spacetronik DiO SPD-DS811 NFC + SPD-M777
Panel stacji bramowe Spacetronik DiO wyróżnia się estetycznie wykonaną wandaloodporną obudową ze stopu aluminium, o współczynniku ochrony IP65 umożliwiającą prawidłową pracę wideodomofonu nawet w bardzo trudnych warunkach atmosferycznych. Użycie najwyższej jakości materiałów w połączeniu z nowoczesnym designem sprawi, że wideodomofon idealnie wpasuje się w ścianę Twojego domu lub ogrodzenia. Monitor przeznaczony do pracy w systemie wideodomofonowym dwużyłowym Spacetronik DiO. Wyposażony w kolorowy dotykowy ekran o przekątnej 7" TFT, dzięki któremu obsługa jest jeszcze wygodniejsza. Monitor posiada wszystkie niezbędne funkcje cechujące urządzenia najwyższej klasy. Ponadto urządzenie posiada slot na karty SD i obsługuje dodatkowy monitoring kamer CCTV. Produkt świetnie nadaje się do zastosowań dla domów jednorodzinnych i małych firm.
Monitor SPD-M777TW to nowoczesny i elegancki design. Przedni panel został wykonany z hartowanego szkła, a całość jest wykończona stylową aluminiową ramką.
Wygodny styl życia
Elegancki design, łatwość użytkowania i praktyczność to cechy, które opisują system wideodomofonowy Spacetronik DiO. Rozmawiaj ze swoimi gośćmi i przyjrzyj się im uważnie, zanim zdecydujesz się otworzyć drzwi. Zadbasz w ten sposób o bezpieczeństwo i uczynisz swoje życie wygodniejszym. Zaletą modelu jest szerokokątny obiektyw umożliwiający obserwację w zakresie 170° z dodatkową funkcją regulacji obiektywu góra/dół oraz przyciski dotykowe do wywoływania połączenia.
Montaż podtynkowy czy natynkowy?
Wideodomofony Spacetronik DIO SPD-DS81x to seria wideodomofonów z montażem podtynkowym, ale dzięki możliwości zastosowania dodatkowej osłony SPD-DC81 istnieje takżę możliwość montażu natynkowego.
Praca w dzień i nocy
Kaseta wideodomofonu została wyposażona w 3 diody LED umożliwiając tym samym podgląd otoczenia z kasety zewnętrznej przy niedostatecznym natężeniu oświetlenia. Dzięki czemu wideodomofon przystosowany jest do pracy w każdych warunkach oświetleniowych z widocznością nawet w całkowitych ciemnościach.

Technologia karty zbliżeniowej RFID Mifare (NFC)
Karta Mifare NFC obsługuje zapis i odczyt z częstotliwością 13,56 MHz (standard Mifare). Karta nie posiada baterii - wykorzystuje technologię chipów pasywnych - dzięki czemu nie trzeba jej wymieniać, a jej żywotność jest bardzo długa. Dzieki zastosowaniu modułu RFiD Mifare mamy możliwość otwarcia elektrozaczepu za pośrednictwem karty, breloka z technologią NFC.
Specyfikacja techniczna
- Stacja zewnętrzna
- Zasilanie 24 V DC (z zasilacza)
- Model SPD-DS811 z funkcją RFID
- Night Vision IR Night Vision
- Materiał aluminium
- Odporny na warunki atmosferyczne IP65
- Obiektyw 1,0 MP 3,6 mm, regulacja góra/dół
- Kamera szerokokątna 170 °
- Zużycie energii - czuwanie 1W, praca 5W
- Zasilacz dostarczany z monitora wewnętrznego
- Temperatura Pracy -20C- + 55C
- Instalacja Montaż podtynkowy
- Wymiary: 182x110x33 mm
- Wymiary montażowe: 182x110x33 mm
W zestawie
- Wideodomofon Spacetronik DiO SPD-DS811
- monitor SPD-M777
- Przewody podłączeniowe
- Kołki montażowe
- Karta Master 1szt.
- Breloki zbliżeniowe 2szt
- Klucz imbusowy
- Instrukcja obsługi i montażu
- Osłona SPD-DC81 do montażu natynkowe
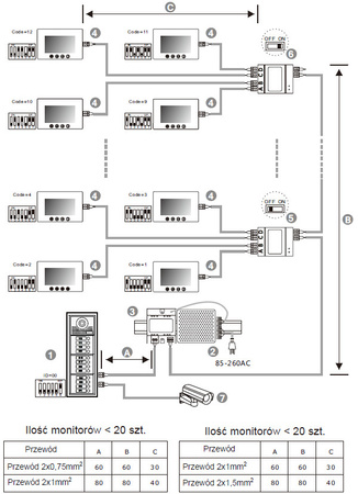
Przykładowa instalacja

1. Stacja zewnętrzna, gdy jest tylko jedna stacja domofonowa, bit-1, bit-2 i bit-3 powinny być ustawione na OFF
2. Zasilacz, MUSI być zainstalowany obok siebie z separatorem zasilania
3. Separator zasilania, MUSI być zainstalowany obok siebie z zasilaczem
4. Monitory - każdy z unikalnym kodem użytkownika, zauważ, że w tym przypadku wszystkie bit-6 powinny być ustawione na ON
5. Przełącznik rozdzielacza wideo przełącz na OFF, chyba że znajduje się na końcu linii
6. Ustaw przełącznik dystrybutora wideo na ON na końcu linii
7. Dodatkowa kamera
Podstawowe zalety systemu Spacetronik DiO
- całość systemu oparta na 2 żyłach (2-wire)
- brak polaryzacji
- wandaloodporna obudowa
- mozliwość montażu modułów na szynie DIN
- złącze wtykowe Plug-in
- konfiguracja i adresowanie przy użyciu przycisków funkcyjnych DIP
- możliwość rozszerzenia o kamerę
- możliwośc rozszerzenia o kartę SD
- zapis zdjęć i filmów
- proste wejście za pomocą breloków RFiD
Przykładowe schematy podłączenia systemu Spacetronik DiO

1. Podstawowe podłączenie
2. Podłączenie z kilkoma monitorami w jednym mieszkaniu (szeregowo)
3. Podłączenie z kilkoma stacjami
Instrukcja obsługi w j. polskim do pobrania >>TUTAJ<<
Instrukcja obsługi w j. angielskim do pobrania >>TUTAJ<<


















